Additional information
| Product Group | Adapters / Flanges |
|---|---|
| Machine Type | Router/Milling/CNC |
Call for Price
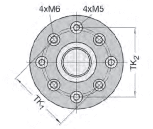
For use on HSK-F 63 tool interface equipped CNC machining centers, this saw blade adapter is specifically adapted for Weeke BHX length requirements.

This adapter has a 65mm large diameter at the base and HSK-F 63 machine connection. It can be used with saw blades and groovers up to 260mm diameter. This adapter is designed with 2 distinctive hole patterns, 4/5/52 (for Homag, TK2) and 4/6/48 (TK1) for Lamello Clamex P for use as needed.

| Product Group | Adapters / Flanges |
|---|---|
| Machine Type | Router/Milling/CNC |