Description
This corrugated head tool holder features a steel body design and offers a great option for short production runs and proto-type needs. It comes on an HSK heat shrink tool holder (sold separately). Maximum knife length is 80mm. RH rotation. (LH on request). Tool body is supplied without knives!
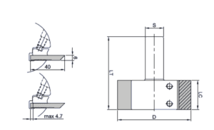
For safety reasons, maximum profile depth should not exceed 16mm and maximum knife height should not exceed 40mm.
Due to weight limitations, this holder is only available for 5/16” knives up to 60mm length.
Maximum rpm 10,000







